Counterfeit products and services are growing at an alarming rate worldwide. These efforts can pose serious threats to a country’s economy, human health, safety, and national security. In 2015, the International Chamber of Commerce estimated the global market of counterfeit goods reached a staggering $1.77 trillion.1 To put this number in perspective, this amount exceeds the entire combined GDP of most countries, including Australia and Korea.2
A few examples of the diversity of counterfeit goods follow. There are about 1% counterfeit medicines currently in the United States market and 10%–30% counterfeit medicines in the markets of developing countries.3,4 Further, counterfeit automotive parts surged by 83% in the U.S. in 2014.5 In 2008, the U.S. Department of Commerce reported 9,356 counterfeit microelectronics incidents discovered by military suppliers.6 Also, there has been an alarming increase in fraudulent documents, such as passports, which can facilitate terrorist activities.7–9 Thus, there is a clear and present need to combat these threats by developing new and innovative technologies for more effective security and anticounterfeiting systems.10 Because of their unique properties, porous ceramics, ceramic-based systems, and glasses can help meet this critical challenge.
Current anticounterfeiting technologies include overt, covert, and forensic security measures.11 Overt technologies, such as watermarks, holograms, barcodes, and radio frequency identification (RFID) devices, are visible to users and often are characterized by a unique visual signature and encrypted information. Conversely, covert technologies, such as invisible ultraviolet printed codes and digital watermarks, are not visible readily. Finally, forensic security features include those detectable using only dedicated instrumentation and specially trained personnel. These technologies include DNA taggants and ratiometric-encoded concepts.
The digital world equips today’s counterfeiters with the means to duplicate security features with such detail that counterfeit products often can pass as genuine components.12 Digital scanners, ink-jet printers, and computer software have made life for the counterfeiter easier. As such, we need new security technologies that are flexible and can make counterfeiting more difficult.
The development of next-generation anticounterfeiting technologies requires advances in a variety of technological areas, including encryption and detection, chemical and physical analyses, secure cyberinfrastructure, and manufacturing and patterning technologies (e.g., digital printing). Chief among these critical areas, however, is development of advanced functional materials and integrated systems, which can include “unique signatures” that cannot be duplicated easily.
New classes of functional material systems for use in anticounterfeiting can provide increasing complexity at a reasonable cost to legitimate manufacturers. Innovative functional porous ceramics and ceramic-based systems, including porous-wall, hollow glass microspheres (PWHGMs), have the potential to provide unique capabilities to improve security printing and anticounterfeiting efforts.
Why PWHGMs?
Solid glass microspheres and hollow glass microspheres are not new. In fact, we have used them for about a century in a variety of consumer products and services. However, Savannah River National Laboratory invented a new class of glass microspheres, PWHGMs, and introduced them to the materials community in 2008 in the ACerS Bulletin.13

Figure 1. Electron micrograph depicting the size distribution of porous-wall, hollow glass microspheres.16 Credit: International Journal of Applied Glass Science; Wiley
PWHGMs are tiny glass microballoons or microcapsules that are about one-third the diameter of a human hair. Their sizes vary from a few to ~100 µm in diameter (Figure 1), with thin outer shells that are 1–2 µm in thickness. The most unique and important feature of PWHGMs is “through-wall” porosity, which is induced and controlled through their shells. Pores are 10–300 nm in diameter and extend continuously from the outside to the inside of the microspheres (Figure 2). This nanoporosity provides a pathway for filling PWHGMs with a variety of materials, including gases, liquids, and solids, and has been demonstrated to various degrees for other systems and applications.14–17

Figure 2. Electron micrograph showing 3-D interconnected wall porosity of porous-wall, hollow glass microspheres.16 Credit: International Journal of Applied Glass Science; Wiley
Savannah River National Laboratory originally developed PWHGMs primarily for nuclear-related purposes, including storage of radioactive isotopes of hydrogen and separations. However, the reach of PWHGMs extends much further—the microspheres have potential uses in energy technologies (e.g., hydrogen storage for hydrogen vehicles, improvements in lead–acid batteries, and new concepts in lithium-ion batteries), environmental remediation (e.g., global warming studies and CO2 sequestering), textiles, medicine, and security.
In 2011, PWHGM technology received an R&D 100 Award and, in 2012, received Top Honors at the National Nuclear Security Administration Symposium on “Discovery and Innovation.” The Applied Research Center (ARC) in Aiken, S.C., is developing PWHGMs for commercialization and new uses in various fields. At ARC, representatives of several disciplines—materials scientists, chemists, physicists, modelers, fluid dynamics and biotechnology researchers, and other scientists—coalesce to address issues of national and international importance and pursue security technology together.
The medical field is one area of current emphasis at ARC. At the center, interdisciplinary teams of materials scientists, medical doctors, and surgeons study PWHGM applications in various areas of diagnostics and treatment technologies. These teams helped develop a new class of “medical cocktails” or composites, made public for the first time this year in a special “Glass and Medicine” edition of the International Journal of Applied Glass Science, dedicated to the memory of Larry Hench.18 Scientists at ARC also are researching applications of PWHGMs in security printing and anticounterfeiting activities.
Scientists can combine PWHGMs with liquids to produce new groups of inks for security printing. The inks can be applied to manufactured goods to provide history and quality assurance of the items. The glass housing of the microsphere is well suited to be functionalized by a myriad of methods that enable incorporation into a security ink or addition to a suitable matrix to form a composite security material. Specifically, scientists internally load PWHGMs with functional security materials that have unique properties (e.g., optical, electrical, magnetic, thermal, or chemical) when activated. Scientists believe that development of this new class of “tailored PWHGM security inks” and the ability of these new compositions to respond uniquely to outside stimuli on demand, including tampering, will provide important new tools for critically needed anticounterfeiting efforts.
ARC materials scientists specialize in developing and tailoring tiny glass microspheres or microcapsules that contain a unique and controllable nanoporosity that can be used to load the microspheres with desired cargo, such as sophisticated tagging agents or materials of interest, and release contents on demand. Scientists also are developing and modifying glass formulations and forms that are strong enough to withstand the impact of modern ink-jet printers.
Further, researchers from three South Dakota universities—South Dakota School of Mines and Technology, University of South Dakota, and South Dakota State University—recently partnered to form a research collaboration, the Center for Security Printing and Anti-Counterfeiting Technology (SPACT). By its very nature, SPACT also involves a wide range of disciplines, including physical science, engineering, and social/behavioral science.
SPACT researchers already have developed unique security inks, security markings, and authentication technologies that have garnered significant attention from private and public sectors.19–25 Although SPACT researchers have demonstrated remarkable success, they realize staying ahead of counterfeiters requires continuous development of new technologies. As such, SPACT is searching continuously for new, game-changing materials or technologies to incorporate into the next generation of security products, such as PWHGM technologies.
Scientists at ARC and SPACT are working together to identify applications of PWHGMs in security printing and anticounterfeiting activities. Scientists realize an interdisciplinary approach is essential in combatting counterfeiting to achieve a meaningful reduction in this growing and critical threat. ARC scientists continue to develop new and more efficient methods of loading, coating, and releasing cargo. Academic allies within SPACT provide additional capabilities, including detailed characterization and evaluation of the microspheres as well as the fluid dynamics involved in the processes.
PWHGM proof-of-principle studies
One of the critical challenges in developing new security inks is the ink formulation process itself. In traditional ink development, incorporation of a new functional material requires careful identification of a proper solvent, capping agent, and other additives to control dispersion, stability, and rheological properties of the ink. Use of PWHGMs as a carrier, however, minimizes these steps because of the ubiquitous nature of the microspheres’ morphology, characteristics, and glass surface chemistry. Thus, a variety of functional security inks may be developed and deployed within a single technology envelope.
Consequently, researchers use PWHGMs to reduce significantly the duration and cost of ink development, enabling rapid development of new security features. An added benefit of PWHGMs is that researchers include multiple functional materials in a single ink by simply mixing PWHGMs carrying various payloads into the same ink formulation. Further, they tune the mechanical properties of PWHGMs by controlling wall thickness or sphere diameter or use external coatings or treatments. These unique features make these materials suitable for antitamper applications in which the spheres can be designed to burst under specific stimuli (e.g., mechanical abrasion or thermal fluctuations), releasing the internal payload for easy detection.
To assess the feasibility of using PWHGM technology for security printing and anticounterfeiting applications, ARC and SPACT researchers conducted a multistep proof-of-principle study to assess whether “signature” materials can be loaded and contained in PWHGMs. The study also determined whether the loaded microspheres can be mixed with security inks and then applied to the surface of manufactured parts to provide printed codes and other features.
Although researchers successfully have filled PWHGMs with a variety of functional materials for other uses and applications, they have directed little research toward loading the microspheres with presynthesized nanoparticles used in security printing applications. Additionally, although researchers have used glass microspheres in extrusion-based technologies for years and even have printed small glass microspheres with ink-jet printers, they never have applied glass microspheres with the size and characteristics of PWHGMs to aerosol jet printing, a form of direct-write printing used in anticounterfeiting technology development.
Novel security inks used in preliminary feasibility studies consisted of PWHGMs containing functional materials in their interior, dispersed within a solvent and a dissolved binding agent. As mentioned above, if the unique responses of a variety of nanomaterials are sought for a security feature and those nanomaterials are encapsulated within PWHGMs, the solvent, binding agent, and printing system can remain constant as they did in these proof-of-principle studies.

Figure 3. Electron micrograph depicting gold nanoparticles in a PWHGM shell wall. Credit: Wicks et al.
Initially, the researchers studied gold nanoparticles, which exhibit unique optical signatures, as a functional PWHGM payload. Figure 3 depicts gold nanoparticles that were loaded within the wall porosity of a PWHGM by repeatedly soaking the microspheres in the nanoparticle dispersion and evaporating off the solvent to aggregate and trap the nanoparticles on the interior. The researchers loaded the nanoparticles within the shell walls, which coated the surface of the microsphere’s interior cavity. However, this process had low yields of nanoparticle-loaded PWHGMs. Therefore, the fabrication of security features for simulated tampering events, while promising, is not currently practical. In the future, however, researchers might be able to increase the yield by considering the effects of strong driving forces, such as vacuum induction, on transport of nanoparticle dispersions through the PWHGM wall porosity.
In addition to working with presynthesized gold nanoparticles, researchers also loaded metal oxides within substantial amounts of PWHGMs. They loaded copper salt solutions within PWHGMs and then used sol–gel synthesis to convert the solutions to copper oxide, a semiconductor material with known optical properties. By synthesizing the desired payload directly within PWHGMs, they avoided many of the challenges of loading PWHGMs with presynthesized payloads. The researchers demonstrated the feasibility of creating unique ceramic composites for use in security inks by loading PWHGMs with presynthesized nanoparticles and metal oxides.
Other current research conducted at SPACT demonstrates successful deposition of nanoporous PWHGMs impregnated with metal oxides onto various substrates. These studies utilize an aerosol jet deposition system in which a fine mist of PWHGM ink is generated using ultrasonic waves. This aerosol is transported to a substrate via a carrier gas. Once deposited, glass microspheres are bound to the substrate by the ink’s binding agent.

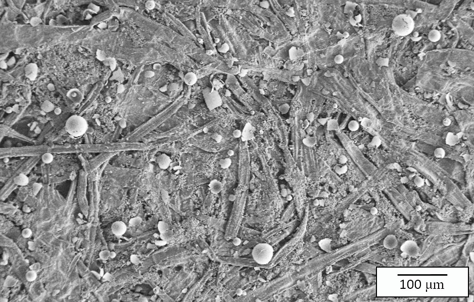
Figure 4. PWHGMs printed on paper. Although many microspheres have shattered, some remain intact. Credit: Wicks et al.
Printing studies are ongoing, and Figure 4 depicts PWHGMs that have been printed on copier paper. Although many PWHGMs fractured either during generation of the aerosol or upon impact with the substrate, the fact that smaller and, therefore, stronger PWHGMs survive is encouraging—especially considering that there are means of further strengthening the microspheres to increase the yield of successfully printed microspheres. Additionally, aerosol jet deposition is not the only method of security feature fabrication. The use of other technologies, such as spin coating or automated fluid dispensing systems, may prove to be better suited for fabrication of novel anticounterfeiting features that utilize PWHGM composites.
Looking forward
Individuals long have sought to copy genuine products and even principles, for reasons of greed, malice, or political gain—to think that counterfeiting will not continue is to deny reality. Therefore, SPACT and ARC are developing new collaborations in the field of anticounterfeiting and antitampering to keep ahead of ill intentions of nations, organizations, or individuals. The work thus far—loading PWHGMs with presynthesized nanoparticles or other functional payloads and successfully printing those loaded PWHGMs onto substrates—effectively demonstrates the feasibility of applying PWHGMs and perhaps other forms of advanced porous ceramics to security printing.
As genuine technology advances and opportunities for mischief increase, industry, military, and government must take added precautions to guard valuable assets. Without vigilance and aggressive measures, counterfeiting will continue expanding to further threaten loss of life, financial ruin, compromised national security, and lack of consumer confidence.
Acknowledgments
The authors thank Patrick Woodell, ARC laboratory manager, for his support of the Advanced Ceramics and Glass programs and for SEM/EDX work on the PWHGMs for this project. They also thank 3M and MoSci Corp. This work was supported in part by the South Dakota Board of Regents, Center for Security Printing and Anti-Counterfeiting Technology, and by National Science Foundation under Grant No. 1263343, REU Site: Security Printing and Anti-Counterfeiting Technology.
Capsule summary
The persistent problem
Counterfeit products and services plague global marketplaces and pose serious threats to safety, economic welfare, health, and security. Advanced functional materials are needed to address these growing concerns.
Possibilities of new materials
Porous-wall, hollow glass microspheres are a potential material solution that may help develop more robust security inks—these microcapsules can be loaded with functional security materials that can respond to outside stimuli on demand.
Proof-of-principle
Studies already have demonstrated successfully that these porous glass microspheres can be loaded with nanoparticles and other payloads and can be printed successfully onto substrates. Continued development of these technologies will allow manufacturers to develop more robust and critically needed anticounterfeiting efforts.
Cite this article
G. Wicks, G. Crawford, J. Keller, F. Humes, and F. Thompson, “Glass microspheres hollow out a niche for anticounterfeiting strategies,” Am. Ceram. Soc. Bull. 2016, 95(6): 24–29.
About the Author(s)
George Wicks is CTO of the Applied Research Center (ARC) in South Carolina, past president and Distinguished Life Member of ACerS and coinventor of PWHGMs. Fred Humes is CEO/president of ARC and director emeritus of the Economic Development Partnership. Grant Crawford is assistant professor at South Dakota School of Mines and Technology, serves as director of the NSF REU Site: Security Printing and Anti-Counterfeiting Technology, and is associate director of SPACT. Jon Keller is professor at South Dakota School of Mines and Technology, an NSF Presidential Faculty Fellow, and director of SPACT. Forest Thompson was a summer student working with PWHGMs at ARC in 2015 and is currently at South Dakota School of Mines and Technology working with these materials and systems in completion of his master’s thesis.
Issue
Category
- Electronics
- Glass and optical materials
Article References
1International Chamber of Commerce, “Global impacts study,” http://www.iccwbo.org/Advocacy-Codes-and-Rules/BASCAP/BASCAP-Research/Economic-impact/Global-Impacts-Study/, accessed May 2016.
2United Nations Statistics Division, “GDP and its breakdown at current prices in U.S. dollars,” http://unstats.un.org/unsd/snaama/dnllist.asp, December 2014, accessed May 2016.
3Centers for Disease Control and Prevention, “Counterfeit drugs,” http://www.cdc.gov/features/CounterfeitDrugs, accessed May 2016.
4Partnership for Safe Medicines, “Counterfeit drug incident encyclopedia,” http://www.safemedicines.org/counterfeit-heparin-blamed-for-worldwide-deaths.html, accessed May 2016.
5E. Kinetz and A. Olson, “Volume, quality of Chinese fakes challenge U.S. customs,” Associated Press, http://bigstory.ap.org/article/338de4f0ea024877a29b6aab644f174d/volume-quality-chinese-fakes-challenge-us-customs-agents, accessed May 2016.
6B. Toohey, “Testimony before the Senate Committee on Armed Service on counterfeit electronic parts in the U.S. military supply chain,” Semiconductor Industry Association, November 8, 2011, http://www.semiconductors.org/clientuploads/directory/DocumentSIA/Brian%20Toohey%20Testimony%20Final_SASC.pdf, accessed May 2016.
7T.H. Kean, “Final report of the National Commission on Terrorist Attacks Upon the United States,” 7/22/2004, http://www.gpo.gov/fdsys/pkg/GPO-911REPORT/pdf/GPO-911REPORT.pdf, 567 pages, accessed May 2016.
8Interpol, “Against organized crime: Interpol, trafficking, and counterfeiting casebook 2014,” http://www.interpol.int/Crime-areas/Trafficking-in-illicit-goods-and-counterfeiting/Trafficking-in-illicit-goods-and-counterfeiting, accessed May 2016.
9M. Naim, Illicit: How Smugglers, Traffickers, and Copycats are Hijacking the Global Economy. Anchor Books, New York, 2006.
10M.P. Singh, “Toward a science of security,” IEEE Computing Now, 2013, http://www.computer.org/portal/web/computingnow/archive/january2013, accessed May 2016.
11R.D. Warner and R.M. Adams II, Introduction to Security Printing. PIA/GARF Press, Wewickley, Pa., 2005.
12“Illegal, immoral, and here to stay: Counterfeiting and the 3-D printing revolution,” Wired, http://www.wired.com/insights/2015/02/illegal-immoral-and-here-to-stay-counterfeiting-and-the-3d-printing-revolution/, accessed May 10, 2016.
13G. Wicks, K. Heung, and R. Schumacher, “Microspheres and microworlds … SRNL’s porous, hollow glass balls open new opportunities for hydrogen storage, drug delivery, and national defense,” Am. Ceram. Soc. Bull., 87 [6] 23–28 (2008).
14G.G. Wicks, “Nanostructures and nanonothingness” (Nanotechnology—A worldwide issue), Int. J. Appl. Glass Sci., 4 [2]100–104 (2013).
15G.G. Wicks, S. Serkiz, S. Li, and W. Dyan, “Porous-wall, hollow glass microspheres”; Ch. 35, pp. 505–509 in Introduction to bioceramics, 2nd ed. Edited by L.L. Hench. Imperial College Press, London, 2013.
16R. Mohtadi, K. Tange, T. Matsunaga, G. Wicks, K. Heung, and R. Schumacher, “A new way for storing reactive complex hydrides on board of automobiles”; pp. 91–96 in Ceramic Transactions, Vol. 202, Materials innovations in an emerging hydrogen economy. Edited by G.G. Wicks and J. Simon. Wiley, Hoboken N.J., 2009.
17S. Li, L. Nguyen, H. Xiong, M. Wang, T.C.-C. Hu, J. She, S.M. Serkiz, G.G. Wicks, and W.S. Dynan, “Porous-wall hollow glass microspheres as novel potential nanocarriers for biomedical applications,” Nanomedicine, 6, 127–36 (2010).
18G.G. Wicks, W.D. Hill, and P.M. Weinberger, “Tiny bubbles: Composite cocktails for medical applications” (Glass and medicine special edition in honor of Prof. Larry Hench), Int. J. Appl. Glass Sci., (2016), in press, DOI:10.1111/ijag 21299.
19J.M. Meruga, C. (Nesson) Fountain, J.J. Kellar, G. Crawford, A. Baride, P.S. May, W.M. Cross, and R. Hoover, “Multilayered covert QR codes for increased capacity and security,” Int. J. Comput. Appl., 37 [1] 1–11 (2015).
20J.M. Meruga, J. Kern, J. Petersen, B.A. Logue, A. Baride, P.S. May, W.M. Cross, G. Crawford, D. Tamayo, J. Richards, and J.J. Kellar, “Innovative security applications using direct-write printing,” Keesing Journal of Documents & Identity, 47 (2015).
21A.Baride, J.M. Meruga, C. Douma, D. Langerman, G.A. Crawford, J.J. Kellar, W.M. Cross, and P.S. May, “A tamper-resistant covert print-and-read system based on NIR-to-NIR upconversion luminescence,” RSC Adv., 5, 101338 (2015).
22J.M. Meruga, C. Holland, J. Petersen, W. Cross, G. Crawford, and J. Kellar, “Polyaniline nanofibers for security printing applications”; presented at NIP & Digital Fabrication Conference (Portland, Ore., September 21–October 1, 2015); pp. 69–73 in proceedings published by Society for Imaging Science and Technology, Springfield, Va., 2015.
23B.A. Logue, J.K. Kern, S. Rasmussen, J. Kellar, and R.P. Oda, “Countering counterfeiting of drugs: Unique fluorescent inks for direct printing onto pharmaceuticals”; presented at NIP & Digital Fabrication Conference (Portland, Ore., September 21–October 1, 2015) ); pp. 371–74 in proceedings published by Society for Imaging Science and Technology, Springfield, Va., 2015.
24T. Kobayashi, M. Owens, W. Cross, J.J. Kellar, and G.A. Crawford, “Structural color for security printing: Patterned robust colloidal crystals”; presented at NIP & Digital Fabrication Conference (Portland, Ore., September 21–October 1, 2015); pp. 396–96 in proceedings published by Society for Imaging Science and Technology, Springfield, Va., 2015.
25F. Thompson, G. Wicks, and G.A. Crawford, “Porous-wall hollow glass microspheres for security printing applications”; presented at NIP & Digital Fabrication Conference (Portland, Ore., September 21–October 1, 2015); pp. 391–94 in proceedings published by Society for Imaging Science and Technology, Springfield, Va., 2015
Related Articles
Market Insights
The evolving discipline of demand forecasting can improve competitiveness and control costs
What does the future hold? It is a question that everyone has contemplated at one time or another, and a mystery that has obsessed writers, mystics, philosophers, clerics, astrologers, and others for centuries. For businesses, the question is more than philosophical. Discovering clues to what is next is essential to…
Bulletin Features
Sustainable ceramics production: Environmental considerations in tile manufacturing
Ceramics are often regarded as a sustainable material choice thanks to their high durability and chemical stability, which enable a long service life. But ceramics come with environmental baggage in other areas, such as raw material sourcing, processing, and disposal. The specifics of this baggage are unique to each ceramic…
Market Insights
Financing the responsible supply of energy transition minerals for sustainable development
As the world transitions to sustainable development and the achievement of net-zero emissions by 2050, the demand for specific minerals and metals, such as lithium, nickel, and copper, is surging. These minerals are crucial for the development of batteries, solar panels, and electric vehicles, and therefore are central to clean…

